Класс пожарной опасности строительных конструкций с основанием из железобетонных плит
В проектировании часто возникает вопрос. Если в составе конструкции есть горючие материалы, то конструкция может относиться к классу пожарной опасности К0(15-45)? Если изменить состав кровли или местоположение в нем материалов, приведет ли это к снижению класса пожарной опасности? В этой статье ответим на эти и другие вопросы.
Нормирование класса пожарной опасности для строительных конструкций
Класс пожарной опасности как показатель. Путь распространения пожара в здании не всегда осуществляется по пожарной нагрузке, расположенной внутри помещения. Пожар может распространяться по строительным конструкциям, выполненным из горючих материалов. Нормы для некоторых зданий не допускают возможность распространения пожара по строительным конструкциям за определенный промежуток времени. Показатель, на основании которого нормами ограничивается возможность распространения пожара по строительным конструкциям, является класс пожарной опасности (далее – КПО).
Для чего нужен. Класс пожарной опасности также служит для того, чтобы в начальной стадии пожара, от его локального воздействия не произошло быстрое распространение пожара не только в глубине конструкции, но и по ее поверхности, как это бывает при строительстве зданий с применением конструкций из древесины. Всего, согласно ГОСТ 30403, установлено четыре класса пожарной опасности строительных конструкций: от К0 до К3.
Расшифровка обозначений. Обозначение класса пожарной опасности состоит из букв с цифрой и цифры, заключенной в скобки. Например, К0(15). Разберем эту комбинацию подробнее.
1. Цифровое с буквенным обозначения указывают на класс пожарной опасности, к которому относится конструкция. Цифра после буквы показывает допустимую степень повреждения горючих материалов в составе конструкции. Класс К0 — непожароопасные конструкции.
2. Числовое значение в скобках указывает на промежуток времени, в течение которого был определен показатель или время, при котором его требуется определить. В нашем случае это 15 минут.
Требуемый и фактический класс пожарной опасности конструкций
При проектировании различают требуемый и фактический класс пожарной опасности конструкций.
Требуемый класс пожарной опасности устанавливается нормами и говорит о том, какие могут быть допустимые повреждения конструкции (горючих материалов в ее составе) при воздействии регламентируемого теплового воздействия пожара для конструкции за нормируемый промежуток времени.
Фактический класс пожарной опасности конструкции показывает какие повреждения конструкции (горючих материалов в ее составе) при воздействии регламентируемого теплового воздействия пожара, для конструкции за нормируемый промежуток времени не произошли.
Безопасность конструкции (с точки зрения класса пожарной опасности) обеспечивается, когда фактический класс пожарной опасности не хуже, чем требуемый.
Например, если для конструкции нормируется КПО К0(15), то конструкции с фактическим показателем К0(15-45) будут удовлетворять требованиям по безопасности с точки зрения класса пожарной опасности.
Если для конструкции нормируется КПО К1(30), то конструкции с фактическим КПО К1(30-45) и К0(30-45) будут удовлетворять требованиям по безопасности с точки зрения класса пожарной опасности. Однако конструкция с КПО К0(15) требованиям уже удовлетворять не будет, так как промежуток времени, на который для нее определен КПО, меньше, чем нормируется. На это стоит обращать внимание при заложении конструкций в проект.
Речь в статье пойдет о нормировании класса пожарной опасности для горизонтальных конструкций. Рассмотрим влияние состава конструкции на изменение ее класса пожарной опасности для конструкций, у которых основание выполнено из железобетонных плит.
Определение класса пожарной опасности строительных конструкций для горизонтальных конструкций
Как правило, КПО (класс пожарной опасности) строительных конструкций определяется экспериментально. Такое требование установлено п. 9 статьи 87 Федерального закона от 22.07.2008 № 123-ФЗ «Технический регламент о требованиях пожарной безопасности»:

П.10 той же статьи поясняет, как определять КПО для аналогичных конструкций:

Для общепринятых конструкций, например, железобетонных плит, известны способы определения (расчета) нагрева при воздействии пожара. Для них КПО легко вычисляется на основании расчетных данных. В частности, смоделировать нагрев железобетонных плит в системе конечно-элементного анализа специалисты могут без затруднений.
Следовательно, для большинства конструкций из железобетона КПО определяют на основании расчета.
Критерии, по которым конструкции относят к соответствующему классу пожарной опасности
Испытания на пожарную опасность для горизонтальных конструкций выполняются по ГОСТ 30403-2012 «Конструкции строительные. Метод испытаний на пожарную опасность». При определении КПО конструкции, согласно п.10.1 ГОСТ 30403, учитывают следующие факторы:
наличие теплового эффекта (но не его значение) от горения материалов образца, который выражается в превышении температуры в тепловой камере по сравнению с верхней допустимой границей температурного режима;
наличие пламенного горения газов, выделяющихся при термическом разложении материалов образца, продолжительностью более 5 с;
наличие горящего расплава при продолжительности его горения более 5 с;
размер повреждения образца в контрольной зоне.
Как показывает практика, основным критерием, по которому конструкции присваивается КПО ниже К0, является размер повреждения горючих материалов, входящих в состав конструкции в контрольной зоне. Допустимые размеры повреждения приведены в таблице 1.
Таблица 1 – Класс пожарной опасности конструкций в зависимости от наличия, значений и параметров пожарной опасности
Таким образом, наличие горючего материала в составе конструкции не говорит о том, что она не может быть отнесена к КПО К0. При отсутствии повреждений в контрольной зоне горючих материалов (и отсутствии теплового эффекта и горения), конструкция, в составе которой находятся горючие материалы, будет отнесена к КПО К0.
Испытания на класс пожарной опасности
Для понимания факторов, влияющих на класс пожарной опасности конструкций, рассмотрим порядок проведения огневых испытаний. Лабораторная установка состоит из двух камер: огневой и тепловой (рисунок 1).


Рисунок 1 – Схема печи для испытаний горизонтальных конструкций
В огневой камере при проведении испытаний должен создаваться стандартный температурный режим пожара согласно ГОСТ 30247.0-94, а в тепловой камере — температурный режим согласно уравнению 1.

После того как регламентированное время воздействия на образец заканчивается, подачу топлива прекращают и ждут полного остывания образца на печи. Остывший образец снимают с печи и послойно разбирают, чтобы зафиксировать отсутствие или размеры повреждения горючих материалов в составе конструкции.
Согласно п. 9.15 ГОСТ 30403, повреждением считается обугливание, оплавление и выгорание материалов, из которых изготовлена конструкция, на глубину более 2 мм.
Не учитывают повреждение:
длиной менее 50 мм – для конструкций, испытываемых в вертикальном положении, и менее 30 мм для конструкций, испытываемых в горизонтальном положении;
материала заполнения стыка в пределах контрольной зоны, если это повреждение не превышает 800 мм при испытании вертикальных конструкций и 500 мм – при испытании горизонтальных конструкций и если оно не влечет за собой повреждения других элементов образца;
слоев пароизоляции толщиной не более 2 мм;
в виде оплавления материалов при отсутствии видимых следов горения (обугливания).
Повреждения при определении КПО учитываются только в контрольной зоне. Контрольной зоной на образце считается зона, проекция которой находится в тепловой камере, начиная от края перегородки, разделяющей огневую и тепловую камеру, со стороны тепловой камеры (рисунок 1). Таким образом, любые повреждения горючих материалов в зоне огневой камеры при оценке КПО не учитываются.
Если горючие материалы в составе конструкции при проведении огневых испытаний защищены от нагрева негорючими материалами и не повреждаются, то такие конструкции будут относиться к КПО К0(t).
В конструкциях, в которых основанием является железобетонная плита, защитой от нагрева является сама несущая конструкция. При достаточной ее толщине, независимо от вида горючих материалов, входящих в состав конструктива с железобетонным основанием, такие конструкции будут иметь КПО К0(t).
Нагрев железобетонных конструкций разной толщины при стандартном температурном режиме
На рисунке 2 приведены данные нагрева многопустотной плиты толщиной 220 мм при воздействии стандартного температурного режима. Толщина 220 мм является наиболее распространенной среди пустотных плит.

Рисунок 2 – Нагрев многопустотной железобетонной плиты толщиной 220 мм
45 минут — максимальное время проведения испытаний на класс пожарной опасности. Температура на необогреваемой поверхности, на которой могут находиться горючие материалы, в зоне огневой камеры после 45 минут испытаний не превышает 60 °С.
Температура термического повреждения горючих утеплителей, используемых в составе кровель, — не менее 150 °С. Можно сделать вывод о том, что даже в зоне огневой камеры с более жестким тепловым воздействием стандартного пожара, чем в контрольной зоне, термического повреждения горючих материалов, влияющих на КПО, не произойдет.
Следовательно, марки материалов ТЕХНОНИКОЛЬ, которые будут находиться на железобетонной плите, не будут иметь значения. Такой конструкции будет присвоен класс пожарной опасности К0(45).
На рисунке 3 приведены данные нагрева сплошной железобетонной плиты толщиной 50 мм (тело ребристых плит).

Температура на необогреваемой поверхности, на которой могут находиться горючие материалы, в контрольной зоне после 45 минут испытаний составляет не более 160 °С. Температура плавления XPS — не менее 150 °С, что незначительно превышает температуру на необогреваемой поверхности железобетонной плиты.
Однако, оплавление без признаков горения не считается повреждением образца. Температура воспламенения XPS составляет не менее 310 °С, что значительно ниже температуры нагрева плиты.
Можно сделать общий вывод о том, что термического повреждения горючих материалов, влияющих на КПО, не произойдет. Следовательно, конструкции с железобетонным основанием, поверх которых будут уложены горючие материалы, будут иметь КПО К0(45) при соблюдении минимальных параметров, описанных в статье.
Результаты огневых испытаний железобетонных плит с горючим утеплителем
Корпорация ТЕХНОНИКОЛЬ провела огневые испытания на КПО монолитных железобетонных плит толщиной 160 мм и 200 мм с горючим утеплителем. Пирог кровли представлен на рисунках 4 и 5.
По результатам испытаний получены протоколы К0(45) для обеих конструкций. Таким образом, у корпорации есть теоретическое и практическое подтверждения КПО конструкций с основанием из железобетона.

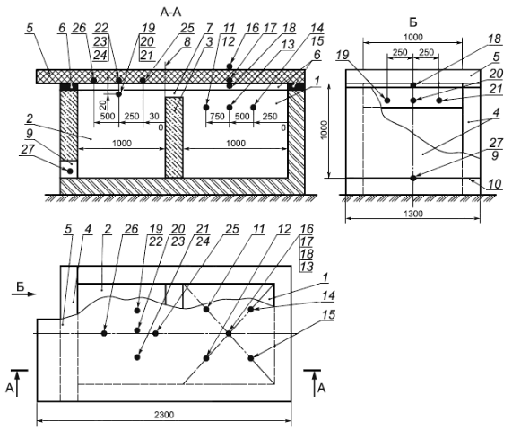
Рисунок 4 – Конструкция кровли с основанием из железобетонной плиты толщиной 160 мм

Рисунок 5 – Конструкция кровли с основанием из железобетонной плиты толщиной 200 мм
Экспериментальные и теоретические данные о распределении температур на поверхности железобетонных конструкций позволяют сделать общий вывод:
при любых горючих материалах кровли (учитываемых при оценке КПО) на железобетонных конструкциях толщиной не менее 50 мм, конструкции будет присвоен класс пожарной опасности К0(45).
Следовательно, любая замена материалов, выпускаемых под торговой маркой ТЕХНОНИКОЛЬ в рамках Заключения*, не будет снижать класс пожарной опасности строительных конструкций.
_______________________________________________________________________________
*«Заключение по оценке пределов огнестойкости и классов пожарной опасности покрытий с различными типами утеплителя и кровлей, состоящей из рулонных материалов или полимерных мастичных материалов, а также рекомендации по применению данных покрытий в зданиях различного функционального назначения (технология ООО «ТЕХНОНИКОЛЬ-Строительные системы»)».
Не нашли ответ на свой вопрос? Напишите нам